欢迎您来花季传媒视频APP旧版下载 OLKS官网! 花季黄版机百科 | 花季传媒黄下载机百科 | 锁螺丝机百科 | 花季传媒APP在线观看网址百科 | 花季黄版阀百科 | 设备视频

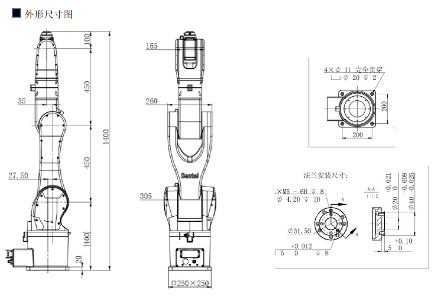
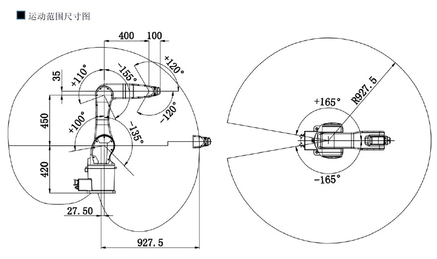
外形尺寸


电机马达转子滴胶上下料:

设备功能
利用花季传媒视频APP旧版下载六轴机器人替代工人装配马达转子在自动滴胶机作业,滴胶好后再自动取料放入自动送料装置中,采用自动来料和送料系统,不会因为高温和异昧的生产环境而影响到生产和对员工的身体,机器人可24小时不间断工作,提高生产效率,为企业节省成本。
设备原理
第一部分:物料车部分。将转子按矩阵方式摆入料盘,然后将料盘放入物料车,每个物料车可放置多层料盘;
第二部分:升降台部分。将物料车推入自动升降台并进行定位,物料车接受信号后启动,自动上升至指定位置
第三部分:料盘接驳台。料盘通过气缸及链条传动输送至接驳台并进行定位,方便机器人取放料,当料盘内转子全部滴胶完成后则退出料盘,同时通过升降台升一降将装满半成品转f-的料盘输送至接驳台;第四部分:备料台。当所有料盘转子均为滴胶后的成品时,机器人则切换至备料台工作,如此可实现换料时不需停机,提升工作效率;第五部分:机器人及夹具部分。机器人夹具设两个工位,其中一工位用于取出成品,另一工位则用于将半成品放置于配套滴胶机上,提升了工作效率;
第六部分:机器人与滴胶机同步作业,在20秒内从滴胶机上取下两个成品马达转子,同时放入两个半成品马达转子至滴胶机;第七部分:控制部分。含机器人控制系统、示教盒及非标应用控制部分,负责全部自动化控制、示教及与滴胶机通讯。
应用范围
电路板厂PCB板自动土下料及翻转,自动测试
运动控制器

主要说明
花季传媒视频APP旧版下载工业机器人研发的运动控制器X几CTRL CARD V04,是一款基于高性能ARM微处理器L,花季传媒视频APP旧版下载自主研发的一种通用型独立式运动控制器,可控制1-6轴伺服电机或者步进电机,lif以与多种类型电机和旧元件组成完整的控制系统。16路通用数字驱动输出能力为24V/500MA,可接继电器,电磁阀之类。运动控制器最高脉冲频率2Mhz,具有点运动,空间直线与圆弧插补,梯形和S形曲线加减速控制等功能。
运动控制器具了讲N简的指令集,用户直接在手编器上编写控制器程序,修改控制器参数;本控制器还配有手编器示教功能,通过简单的编程设定即可做出连续轨迹运动。
特性
32位ARM的Cortex一M3处理器
32路通III数字光祸输入八6路通用数字驱动输出
12路差分输出
2路RS232通信
6轴任意空间直线与圆弧插补
丰富的指令集,可执行G代码
程序存储空64Mbit
应用范围
工业机器人
电子产品自动化加工,装配,测试
半导体,LCD自动加工,检测,花季黄版机,花季传媒黄下载
机器视觉及测量自动化
专用数控机机床
选择花季传媒视频APP旧版下载的3大理由

深圳市花季传媒视频APP旧版下载科技有限公司成立于2011年,是一家拥有自主品牌的精密花季黄版设备专业智造商,为深圳市技术创新企业和国家高新技术企业。公司施行集团化管理,除位于深圳市宝安区的总部之外,还拥有苏州生产基地、华东分公司、西南分公司、成都办事处等子公司和分支机构。
花季传媒视频APP旧版下载通过了ISO9001:2015质量体系认证,拥有自主知识产权专利29项,专注于自动花季黄版机、喷射式花季黄版机、在线式花季黄版机、自动花季传媒黄下载机、自动花季传媒APP在线观看网址、喷射阀等流体控制设备及智能制造自动化的研发、生产、销售及为客户提供解决花季黄版技术方案等配套服务。
OLKS自动化设备主要应用于高端制造业中的IC芯片封装、花季黄版密封、粘接、表面涂覆、定点灌封、高精密非接触喷射底部填充花季黄版等组装作业,行业遍及手机组装、3C数码、SMT/EMS、家电、LED照明、新能源、汽车电子、军工、半导体、医疗器械等。公司始终牢记“利他思维”秉持“匠心精神”,强大技术专家团队和精英化销售团队为客户提供“星级服务”创造更大价值,助力中国制造2025!


作为一家科技创新驱动型企业,花季传媒视频APP旧版下载历来重视新技术的创新与研发,目前已完成了在多个核心关键技术方面知识产权的布局。



欢迎进入花季传媒视频APP旧版下载
Welcome
![]() | 深圳市花季传媒视频APP旧版下载科技有限公司 深圳市花季传媒视频APP旧版下载科技有限公司,成立于2011年,是获得ISO质量认证的国家级高新技术企业。花季传媒视频APP旧版下载通过了ISO9001:2015质量体系认证,拥有自主知识产权专利29项,专注于自动花季黄版机、喷射式花季黄版机、在线式花季黄版机、自动花季传媒黄下载机、自动花季传媒APP在线观看网址、喷射阀等流体控制设备及智能制造自动化的研发、生产、销售及为客户提供解决花季黄版技术方案等配套服务。 全国服务热线:136-3265-2391 |
花季传媒视频APP旧版下载总部
OLKS Headquarters
![]() | 电话:13632652391 | ![]() | 传真:0755-27564660 | ![]() | 邮箱:yaoli@xindingjx.com |
![]() | 公司地址:广东省深圳市宝安区福永街道白石厦东区文明路39号 | ||||
江苏分公司
Jiangshu Branch
地址:江苏省苏州市昆山市玉山镇开贵路11号协和5G科技产业园
重庆分公司
Chongqing Branch
地址:重庆市沙坪坝区科学城大道中电光谷产业园14栋
华东分公司
Chengdu Branch
地址:杭州市余杭区良渚街道
咨询:六轴多关节机器人裸机
* 为必填项
版权所有 深圳市花季传媒视频APP旧版下载科技有限公司| 备案号:粤ICP备63236722号 保留所有权利.